Производитель

Дополнительно

Серия

Розничная цена, руб.

Архивные модели

Презентационная система 3-й серии DigitalMedia™ 4K, модель 200

DMPS3-4K-200-C

Для получения актуальной информации о характеристиках товара, их наличии и стоимости связывайтесь с менеджерами компании

Ищете комплексное решение?
Чтобы наши специалисты грамотно подобрали Вам решение - заполните форму технического задания.

Указанная цена на товар носит исключительно ознакомительный характер и не является публичной офертой

Внимание
Внимание! Система Crestron DMPS3-4K-200-C снимается с производства. На замену предлагаются другие видеоустройства.

  • Многоформатный коммутатор 7х2 сверхвысокого разрешения, микрофонный микшер, цифровой процессор обработки звука, усилитель и система управления
  • Встроенный .AV Framework обеспечивает полное функционирование системы без программирования[1]
  • Встроенная система управления 3-й серии позволяет запрограммировать управление всей комнатой
  • Осуществляет матричную маршрутизацию сигналов для 7 источников и 2 дисплеев
  • Поддерживает видео разрешение до 4K DCI и Ultra HD
  • Оснащен HDMI,DM 8G+ и вводом симметричного аналогового стерео сигнала
  • Так же совместим с DVI, DisplayPort Dual-Mode, HDBaseT источниками [2]
  • Технология QuickSwitch HD управляет ключами HDCP для быстрой и надежной коммутации
  • Технология Auto-Locking позволяет достичь высокой скорости коммутации разнообразных источников
  • Автоматическое управление форматом аудио- и видеосигнала с помощью EDID
  • Совместим с HDCP 2.2
  • Обладает регулировкой входного уровня для каждого звукового входа
  • Содержит встроенный 6 канальный микрофонный микшер с цифровым сигнальным процессором
  • Оснащен одним HDMI и одним DM 8G+ (HDBaseT-совместимым) выходом
  • DigitalMedia 8G+ обеспечивает связь на больших дистанциях через кабель витой пары[5]
  • Соответствие спецификации HDBaseT: подключение к стороннему оборудованию HDBaseT
  • Оснащен высокопроизводительным 4К масштабатором на HDMI выходе
  • Масштабирует входные сигналы вверх для соответствия нативному разрешения любого экрана – включая дисплеи 4К и сверхвысокого разрешения!
  • Масштабирует вниз 4K, UHD и компьютерные сигналы сверхвысокого разрешения до 1080р и других низких разрешений
  • Поддерживает любое разрешение на входе от стандартного NTSC 480i или PAL 576i, до UHD и 4K.
  • Осуществляет интеллектуальное преобразование частоты кадров, зависимое от информационного содержимого подавление шума и зависимое от движения преобразование чересстрочной развертки в построчную
  • Осуществляет преобразование 3D сигнала в 2D [3]
  • Три стереофонических аналоговых выхода с независимой цифровой обработкой сигнала для каждого выхода
  • Содержит два дополнительных звуковых микшера, любой из которых назначается на любой из восьми выходов
  • Встроенный усилитель с выбором режима работы 20 Вт на канал при 8 Ом стерео или 40 Вт при 70/100 В моно
  • Позволяет включать и извлекать аналоговый звук из HDMI сигнала
  • Допускает маршрутизацию USB сигнала через DM передатчики и приемники или через удлинители USB-EXT-DM[7]
  • Оснащен портами управления ИК, RS-232, реле, дискретными входами и Cresnet
  • Поддержка сенсорных экранов, кнопочных панелей и беспроводных пультов управления Crestron
  • XPanel с компьютером Smart Graphics и управлением через веб-интерфейс
  • Поддержка управления с помощью приложений для iPhone, iPad и Android
  • Поддерживает универсальные пульты управления через внешний RC-5 совместимый ИК приемник[4]
  • Встроенная поддержка Crestron Fusion Cloud
  • Дружественная для ИТ структур сетевая интеграция через SNMP
  • Интегрированный коммутатор Ethernet, предоставляющий возможность однопортового подключения к локальной сети
  • Управляющая подсеть – предоставляет выделенную локальную сеть для оборудования Crestron
  • Режим частной сети – для всей системы требуется только один IP-адрес
  • Органы управления на передней панели служат для базовой настройки, диагностики и маршрутизации сигналов
  • Передняя панель оснащена ЖК дисплеем и местом для этикеток
  • Углубленная АВ настройка и диагностика через Web-браузер
  • Встроенный универсальный источник питания, позволяющий использовать устройство в разных странах мира
  • Обеспечивает электропитание питаемого оборудования через PoDM + или HDBaseT PoE+[6]
  • Устанавливается в 19-дюймовую стойку (высота 3 модуля)

Система Crestron DMPS3-4K-200-C — это комплексное решение для проведения 4К АВ презентаций в аудиториях, залах заседаний, лекционных залах и залах видеоконференций. Обеспечение полного, настраиваемого под заказ комнатного решения, с полностью программируемой коммутацией и обработкой сигналов, просто и эффективно по стоимости при использовании DMPS3-4K-200-C. Она включает в себя систему управления, матричный коммутатор, видео масштабатор, микрофонный микшер, цифровой процессор обработки звуковых сигналов и усилитель, заключенные в один корпус высотой 3 модуля для крепления в стойку. Встроенные подключения DigitalMedia 8G+ и HDBaseT обеспечивают простое проводное решение на длинных дистанциях для удаленных источников сигнала и дисплеев, а так же для интеграции на уровне здания в составе больших медиа распределительных систем.

4K Ultra HD

Crestron DigitalMedia продолжает продвигать стандарт администрирования цифрового АВ сигнала, представляя доступное и наиболее полное от начала до конца 4K системное решение. DMPS3-4K-200-C поддерживает видео 4K/60 с шифрованием HDCP 2.2, гарантируя поддержку всех последних дисплеев и медиа источников 4K и UltraHD. Поддержка 4K является основой для совместимости с последними версиями компьютеров и мониторов с нативным разрешением выше чем 1080р и WUXGA.

Никакого программирования не требуется!

Установка DMPS3-4K-200-C отличается простотой, скоростью и надежностью. Встроенная технология .AV Framework предлагает полностью готовую презентационную систему с упрощенной настройкой и выбором возможностей управления и другими добавлениями. Для получения полной информации о возможностях поддерживаемых технологией .AV Framework, пожалуйста, обратитесь на www.crestron.com/avframework .[1]

Коммутатор систем 4K

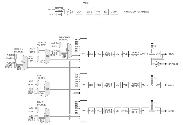
Система DMPS3-4K-200-C осуществляет высококачественную маршрутизацию HDMI и других АВ источников к двум отдельным проекторам, плоскопанельным дисплеям, кодекам и другим устройствам. Допускается подключение до шести источников HDMI, а также одного DM 8G+. HDMI входы совместимы с источниками сигналов DVI и Dual-Mode DisplayPort [2], а вход DM8G+ совместим с HDBaseT. Так же присутствуют пять входов симметричного аналогового звукового сигнала. Каждый HDMI и аналоговый вход имеют регулировку входного уровня сигнала для соответствия различным сигналам и поддержания постоянного уровня громкости при коммутации между источниками.

Встроенный матричный видео коммутатор 7х2 позволяет одновременно коммутировать два различных источника сигнала на два отдельных дисплея. Видео выходы состоят из одного HDMI и одного DM 8G+. HDMI выходы совместимы с DVI, а DM 8G+ с HDBaseT.

Звуковой сигнал с любого входа с легкостью может быть направлен на любой из трех аналоговых стерео выходов. Звуковой сигнал так же может быть маршрутизирован на цифровые выходы по двум независимым путям, любой из которых можно направить на HDMI выход, DM 8G+ выход или на оба.

Масштабирование видео 4K/60

Благодаря высококачественному масштабатору 4K на HDMI выходе, гарантируется оптимальное изображение на дисплее от практически любого видео источника. Масштабатор позволяет отображать сигнал с любого типа видео источника или компьютера надежно и с наилучшим качеством на дисплее до 4K.

Он допускает любое разрешение на входе, от стандартного NTSC 480i до сверхвысокого разрешения 4K DCI и великолепно его масштабирует до нативного разрешения любого дисплея вплоть до 4K DCI (4096 x 2160 @60 Гц). Источники с чересстрочной разверткой конвертируются в прогрессивную, используя адаптивный к движению преобразователь чересстрочной развертки в прогрессивную. Интеллектуальное преобразование частоты кадров позволяет поддерживать источники с форматами 24p и PAL. А преобразование 3D в 2D позволяет конвертировать 3D информационное содержимое для отображения на 2D дисплеях [3]. Полностью автоматическая работа благодаря использованию EDID дисплея для конфигурации масштабатора, устраняет любую сложную настройку.

Можно добавить масштабирование для выхода DM 8G+ с помощью приемника DM-DMC-4K-SCALER-C [4], который оснащен собственным 4K масштабатором. Данный метод использования независимого масштабатора для каждого дисплея является наиболее гибким и надежным решением для поддержки широкого разнообразия входных источников и маршрутизации их на два различных дисплея.

DigitalMedia 8G+

Входы и выходы DM 8G+ наделяют DMPS3-4K-200-C невероятным потенциалом по подключению удаленных источников и дисплеев и интеграции с большими системами. DM 8G+ предлагает истинно однокабельный интерфейс для передачи видео высокого разрешения, звука, управления, электропитания и сигналов локальной сети через единственный кабель витой пары на расстояние до 100 метров. Подключение приемника DM 8G+ к выходу DM 8G+ дает понятный АВ и управляющий интерфейс для проектора или плоскопанельного дисплея, расположенных в любом месте комнаты. Подключение передатчика DM 8G+ дает расширенную возможность входных подключений удаленных АВ источников и мобильных устройств расположенных на конференц столе, трибуне, подставке или в других местах. DM 8G+так же может предоставить связь с централизованным матричным коммутатором DigitalMedia, что позволит обмениваться сигналами между несколькими помещениями или зданиями.[5,6]

Соответствие спецификации HDBaseT

Технология Crestron DM 8G+ разработана на основе спецификации HDBaseT Alliance, она совместима со сторонними продуктами HDBaseT. Благодаря технологии DM 8G+ систему DMPS3-4K-200-C можно подключать непосредственно к любым источникам или дисплеям с поддержкой HDBaseT без передатчика или приемника DM.

6 канальный микрофонный микшер

DMPS3-4K-200-C содержит встроенные средства микширования и обработки сигналов от шести микрофонов. Каждый микрофонный вход оснащен возможностью регулировки усиления 60 дБ, отключаемым фантомным питанием 48 В, полностью настраиваемыми функциями гейтинга, компрессора и ограничителя, а также 4-полосным полупараметрическим эквалайзером. Совершенная система матричного микширования обеспечивает индивидуальное стереомикширование сигналов от всех шести микрофонов для каждого из трех аналоговых звуковых выходов DMPS3-4K-200-C. Можно настроить и выбрать два дополнительных микшера для выходов HDMI и DM 8G+.

Профессиональная цифровая обработка аудиосигналов

Каждый аналоговый выход системы DMPS3-4K-200-C оснащен собственным процессором цифровой обработки сигнала, позволяющим индивидуально оптимизировать каждый выход для подачи сигнала на усилитель мощности, кодек, записывающее устройство и вспомогательную звуковую систему. Помимо настраиваемых в режиме реального времени регуляторов громкости, низких частот, высоких частот и отключения звука, каждый блок цифровой обработки аудиосигнала предоставляет функции 10-полосного графического эквалайзера, 4-полосного параметрического эквалайзера, полностью регулируемым ограничением и регулируемой задержкой выходного аудиосигнала до 85 мс.

Встроенный усилитель

Встроенный усилитель мощности позволяет напрямую подключать к DMPS3-4K-200-C пару стереофонических громкоговорителей (20 Вт на канал при 8 Омах) или группу потолочных громкоговорителей (40 Вт моно при 70 или 100 вольтах). Сигнал на внутренний усилитель поступает с основного программного выхода, позволяя воспользоваться всеми преимуществами встроенного блока цифровой обработки сигналов. Для создания более крупных систем можно подключить усилители мощности Crestron серии AMP, организовав комплексное решение для раздельной подачи сигнала на программные и речевые акустические системы или любые многозонные акустические системы.

Включение и исключение звукового сигнала

Присутствие профессиональных симметричных аналоговых звуковых входов и выходов, объединенное с возможностью маршрутизировать звуковые сигналы отдельно от видео, обеспечивает выдающуюся гибкость для множества специфичных применений – без необходимости иметь дополнительное оборудование! Например, симметричные входы позволяют связывать DMPS3-4K-200-C напрямую с консолью микшера звука, позволяя включить смикшированный живой звук в видео сигнал от цифровой камеры и объединить их в едином выходном HDMI сигнале. Или любой из симметричных звуковых выходов может быть использован для исключения звука из цифрового АВ источника и отправлен на микшерную консоль. Выход ”Aux” может даже быть маршрутизирован назад через аналоговый вход для использования встроенного цифрового процессора обработки звука или внешнего цифрового процессора обработки звука для обработки звукового сигнала перед отправкой на HDMI и DM 8G+ выходы.

Управление форматами посредством EDID

Система DMPS3-4K-200-C предоставляет возможность администрирования данных EDID (Extended Display Identification Data) между дисплеем и входными источниками системы. Через экран меню, доступный через Web-браузер, специалист по установке легко оценит возможности всех устройств с точки зрения форматов и разрешения и настроит сигналы EDID нужным образом для достижения наиболее надежной работы и предсказуемого поведения данного оборудования.

Технология QuickSwitch HD

Работа с цифровыми мультимедийными форматами высокой четкости означает поддержку протокола HDCP (High-bandwidth Digital Content Protection — защита широкополосного цифрового контента). Это схема шифрования, используемая поставщиками контента для защиты от несанкционированного копирования дисков DVD и Blu-ray, а также широковещательных сигналов. Для просмотра зашифрован­ного с помощью HDCP содержимого требуется проверка подлинности устройством-источником всех дисплеев и сигнальных процессоров в системе с последующей выдачей им ключа перед выводом на них сигнала. Технология Crestron QuickSwitch HD управляет этими ключами для обеспечения быстрого, надежного переключения и недопущения пропадания картинки каждый раз при подключении к системе источника или дисплея.

Технология Auto-Locking

Технология Crestron Auto-Locking предоставляет возможности сверхбыстрой коммутации сигналов путем мгновенной настройки всех устройств в тракте сигнала, включая блоки масштабирования, передатчики и приемники DM, немедленно по достижении сигналом первого устройства. При коммутации источников и телеканалов технология Auto-Locking значительно сокращает время обнаружения нового сигнала каждым устройством и перенастройки, практически устраняя заметную на глаз задержку коммутации.

Маршрутизация USB сигнала

Вместе с аудио и видео сигналами, DMPS3-4K-200-C может осуществлять маршрутизацию сигналов USB HID, позволяя USB HID совместимой клавиатуре и/или мыши расположенными в одном месте, управлять компьютером или медиа сервером в другом месте. Подключение USB HID осуществляется через определенные передатчики и приемники DM. Crestron также предлагает удлинители USB через ЛВС (USB-EXT-DM[4]), которые могут использоваться для маршрутизации нескольких USB устройств практически любого типа и все бесшовно управляемые посредством DMPS3-4K-200-C.[7]

Встроенная система управления 3-й серии

Встроенная система управления 3-й серии позволяет DMPS3-4K-200-C предоставлять полное, настраиваемое управление любыми АВ устройствами, а так же системами освещения помещений, жалюзи на окнах и проекционными экранами с возможностями специальной настройки и без необходимости использования отдельных управляющих процессоров. Система содержит ряд портов управления, которые включают:четыре ИК, два RS-232, четыре релейных и четыре дискретных входных, а так же Cresnet и ЛВС. Система DMPS3-4K-200-C поддерживает весь модельный ряд сенсорных панелей, кнопочных панелей и беспроводных пультов, позволяя предоставлять конечным пользователям индивидуальную среду управления. Поддержка управляющих приложений Crestron и ПО Crestron Fusion Cloud для управления корпоративной инфраструктурой предоставляет мощнейшую в отрасли платформу для удаленного контроля и управления компьютерами и мобильными устройствами в различных помещениях.

Управление устройствами посредством CEC

Для управления сторонним АВ оборудованием DMPS3-4K-200-C предлагает альтернативу обычным ИК, RS-232 и Ethernet путем вложения в сигнал HDMI сигнала управления устройствами по протоколу CEC (Consumer Electronics Control — управление пользовательскими электронными устройствами). При помощи CEC множество устройств могут управляться непосредственно по портам HDMI (или HDBaseT), потенциально устраняя необходимость в использовании каких-либо выделенных кабелей управления и ИК-передатчиков.

Встроенный коммутатор Ethernet

Помимо передачи цифровых аудио- и видеосигналов, порт DM 8G+ системы DMPS3-4K-200-C также позволяет подвести Ethernet к дисплею или источникам сигнала (через передатчики и приемники DM), предоставляя высокоскоростное подключение для любого оборудования в помещении, требующего подключение к ЛВС. Функции Ethernet также используются внутренней шиной управления Crestron для управления передатчиками, приемниками и оборудованием.

Выделенный управляющий сегмент локальной сети

Управляющая подсеть Crestron является гигабитной сетью Ethernet, выделенной для оборудования Crestron. Через порт управляющей подсети DMPS3-4K-200-C наладчик может с легкостью подключить одну сенсорную панель или шлюз беспроводной связи или добавить РоЕ коммутатор Crestron (CEN-SW-POE-5 или CEN-SWPOE-16)[4] для нескольких сенсорных панелей, шлюзов, АВ компонентов и другого оборудования. Можно включить РоЕ на порту управляющей подсети для питания одной сенсорной панели или другого питаемого от РоЕ оборудования [6]. DMPS3-4K-200-C автоматически производит настройку всей подсети, находя каждое устройство и присваивая IP адреса без дополнительных усилий со стороны наладчика.

Режим частной сети

Для оптимального развертывания в корпоративной или учебной локальной сети, в системе DMPS3-4K-200-C используется режим частной сети с организацией однопортового подключения для всей системы. При использовании режима частной сети, системе DMPS3-4K-200-C требуется всего один IP-адрес для всей сети DM, включая все подключенные приемники и передатчики DM.

Простота настройки

Все этапы настройки системы DMPS3-4K-200-C призваны выполняться быстро и просто. Сразу после распаковки, передняя панель поддерживает базовую маршрутизацию сигналов для простой проверки и устранения неисправностей во время установки. Благодаря .AV Framework, упрощенная настройка системы осуществляется через Web-браузер компьютера.[1] Расширенная настройка и регулировка осуществляется через переднюю панель или Web браузер. Можно создать нужные этикетки для передней панели с помощью ПО Crestron Engraver или выбрать стандартные этикетки размером 3/8 дюйма, чтобы наглядно обозначить каждый вход и выход. С помощью ПО можно также назначить для входов и выходов имена, отображаемые на ЖК-дисплее.

Crestron Connect It

Crestron Connect It является эффективным по стоимости и простым в использовании решением по проведению презентаций, которое работает бесшовно с DMPS3-4K-200-C. Просто добавьте одну или более точек кабельного подключения Crestron Connect It (серии TT-100[7]) для BYOD подключения и управления одним нажатием для нескольких участников вокруг конференц стола. Электропитание и коммуникации для всех кабельных точек подключения осуществляется через Cresnet или USB порт на Crestron Connect It совместимом DM передатчике.

1 - Некоторые возможности и функции, описанные в данном списке характеристик, могут не поддерживаться .AV Framework. Для получения полного списка возможностей и дополнений поддерживаемых .AV Framework, пожалуйста, посетите crestron.com/avframework.

2 - Для соединения разъемов DVI или Dual-Mode DisplayPort с разъемом HDMI необходим соответствующий адаптер или интерфейсный кабель. Интерфейсные кабели CBL-HD-DVI поставляются отдельно.

3 - HDMI выход не пропускает 3D сигналы. На этом выходе 3D сигналы автоматически преобразуются в 2D, затем масштабируются и выводятся в 2D. Сигналы 3D можно вывести через DM 8G+ выход.

4 - Приобретается дополнительно.

5 - Максимальная длина кабеля для подключений по DM 8G+ и HDBaseT зависит от типа кабеля и разрешения видео сигнала. Ознакомьтесь с таблицей “Максимальная длина кабелей DM 8G+ и HDBaseT”. Устаревшие модели кабелей Crestron DigitalMedia DM-CBL и DigitalMedia D DM-CBL-D поддерживают те же разрешения и максимальные длины, что и CAT5e. Для устранения влияния внешнего электромагнитного шума, который может повлиять на качество при разрешении выше чем 1080p, используйте экранированный кабель и разъемы. Ознакомьтесь с Crestron DigitalMedia Design Guide, Doc. #4546. DM 8G+ совместим с характеристиками HDBaseT Альянса для HDBaseT совместимого оборудования. Все провода и кабели продаются отдельно.

6 - Предоставление электропитания PoDM или PoE требует внешнего источника питания, модель PW-4830DUS или DM-PSU-3X8-RPS, приобретаются отдельно. Ввиду присущему кабелю CATx падению мощности, каждый питаемый прибор PoDM+ или HDBaseT PoE+ получает максимум 25,5 Вт. Имейте ввиду, что порт CONTROL SUBNET ограничен обычным PoE (Класс 0-3) и доставляет питаемому прибору максимум 12,95 Вт. Любая проводка, подключенная к питающему порту PoDM или PoE, предназначена только для внутренней прокладки и не должна выходить за пределы здания, в котором расположено питающее оборудование.

7 - Управляет маршрутизацией USB HID сигналов между периферийными оборудованием DM, которое оснащено портами USB HID. Присутствующие в DMPS3-4K-200-C USB порты не подходят для маршрутизации USB сигналов. Так же программируется для управления маршрутизацией USB сигналов между модулями Crestron удлинения USB по ЛВС (USB-EXT-DM, продается отдельно). Для получения более подробной информации обратитесь к листу характеристик USB-EXT-DM.

8 - Входы RGB позволяют принимать компонентные, S-video и композитные сигналы при наличии соответствующего переходника (поставляется отдельно). Для RGB-портов не поддерживается обнаружение синхросигналов входного композитного сигнала и сигнала S-Video.

9 - Требуется лицензия. DMPS3-4K-200-C поддерживает максимум 500 объектов BACnet, если выделен только под эту задачу. Реальные возможности зависят от размера программы и ее сложности.

Доступные модели

DMPS3-4K-200-C Презентационная система 3-серии DigitalMedia™ 4K, модель 200

Доступные принадлежности

TSW-760 7-дюймовая сенсорная панель
TSW-1060 10-дюймовая сенсорная панель
MP-B10 Кнопочная панель B10 для презентаций
AM-100 шлюз AirMedia для презентационных систем
Серия TT-100 Точка кабельного подключения Crestron Connect It
AM-101 Презентационный шлюз AirMedia
PW-4830DUS источник питания PoDM 150 Вт
DM-PSU-3X8-RPS PoDM+ блоки питания с резервированием
DM-RMC-4K-100-C-1G настенный приемник сигнала 4K DigitalMedia 8G+ и контроллер для помещения модель 100
DM-RMC-4K-100-C приемник сигнала 4K DigitalMedia 8G+ и контроллер для помещения модель 100
DM-RMC-4K-SCALER-C приемник сигнала 4K DigitalMedia 8G+ и контроллер для помещения c масштабатором
DM-RMC-4K-SCALER-C-DSP приемник сигнала 4K DigitalMedia 8G+ и контроллер для помещения c масштабатором и понижающим микшированием
DM-RMC-200-C приемник сигнала DigitalMedia 8G+ и контроллер для помещения модель 200
DM-RMC-SCALER-C приемник сигнала DigitalMedia 8G+ и контроллер для помещения с блоком масштабирования видео
DM-TX-4K-100-C-1G настенный передатчик сигнала 4K DigitalMedia 8G+ модель 100
DM-TX-200-C-2G настенный передатчик сигнала DigitalMedia 8G+ модель 200
DM-TX-4K-202-C передатчик сигнала 4K DigitalMedia 8G+ модель 202
DM-TX-4K-302-C передатчик сигнала 4K DigitalMedia 8G+ модель 302
DM-TX-201-C передатчик сигнала DigitalMedia 8G+ модель 201
DM-TX-401-C передатчик сигнала DigitalMedia 8G+ модель 401
USB-EXT-DM удлинитель USB по ЛВС с маршрутизацией
Серия AMP Промышленные усилители мощности звука
GLA-ODT-C-CN Датчик присутствия двойного типа с Cresnet
GLA-OIR-C-CN Пассивный ИК датчик присутствия с Cresnet
Crestron Fusion Cloud Платформа корпоративного управления
Crestron App управляющее приложение для Apple iOS и Android
XPanel Crestron Control для компьютеров
3-Series BACnet/IP Support Лицензия нативной поддержки BACnet/IP для 3-й серии
CSP-LIR-USB модуль обучения ИК-подсистемы
CNSP-XX пользовательский последовательный кабель
IRP2 зонд для ИК-излучателя с клеммным разъемом
CNXRMIRD ИК-приемник
DM-CONN-ULTRA-RECP Модульный разъем Keystone RJ45 DigitalMedia Ultra
DM-CBL-ULTRA-PC Коммутационный шнур DigitalMedia Ultra
DM-CBL-ULTRA Кабель DigitalMedia Ultra
DM-CONN Разъемы для кабелей DM-CBL-ULTRA
DM-CBL-8G кабель DigitalMedia 8G
DM-8G-CONN разъем кабеля DigitalMedia 8G
DM-8G-CRIMP обжимной инструмент для DM-8G-CONN
DM-8G-CONN-WG разъем с направляющей кабеля DigitalMedia 8G
DM-8G-CRIMP-WG обжимной инструмент для DM-8G-CONN-WG
CRESNET кабель управления Cresnet
Серия CBL сертифицированные интерфейсные кабели Crestron
Серия MP-WP настенная панель с разъемами
Серия MPI-WP настенная панель с разъемами — европейская версия
Вы недавно смотрели:
Производитель: Crestron
Презентационная система 3-й серии DigitalMedia™ 4K, модель 200

Оставляя свои личные данные, вы принимаете Соглашение о конфиденциальности
Информация, представленная на сайте, не является публичной офертой и носит исключительно ознакомительный характер.